产品分类
新闻推荐
AYX.COM·(中国)AYX.COM集团有限公司

AYX.COM·(中国)AYX.COM集团有限公司

地  址:江苏省启东市和平南路199号
电  话:13306282819
客  服:0513-83117726
传  真:0513-83117726邮  箱:ntjr2010@126.com
网  址:www.moonbeamfilms.com

产品中心PRODUCT CENTER
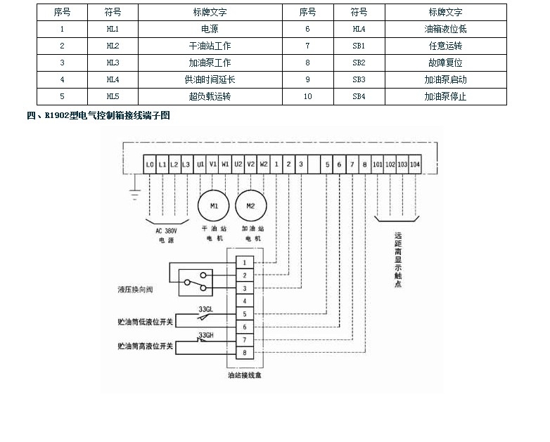
R1902型电气控制箱(20MPa)
2017-7-24 点击:1348

2.JPG3.JPG